|
Szczegóły Produktu:
Zapłata:
|
| Nazwa: | Pompa z podwójną membraną powietrzną | Maksymalne ciśnienie wylotowe: | 0,83mpa |
|---|---|---|---|
| Funkcja: | Nieszczelność | aplikacji: | przemysł wydobywczy |
| rozmiar: | 3 cale | Inne nazwy: | 3-calowa powietrzna pompa membranowa |
| Podkreślić: | pneumatyczna pompa membranowa,pneumatyczna pompa powietrza |
||
Przemysłowa pompa z podwójną membraną powietrzną, wydajna 3-calowa powietrzna pompa membranowa
Pompa z membraną powietrzną (znana również jako pompa membranowa, pompa pneumatyczna z podwójną membraną (AOOD) lub pneumatyczna pompa membranowa ), która wykorzystuje kombinację ruchu posuwisto-zwrotnego gumy, membrany termoplastycznej lub teflondi i odpowiednich zaworów po obu stronach membrany (zawór zwrotny , zawory motylkowe, zawory klapowe lub jakakolwiek inna forma zaworów odcinających) do pompowania płynu.
Pompa membranowa zapewnia wysoką wydajność objętościową nawet przy niskim ciśnieniu powietrza i dostępnej szerokiej gamie opcji kompatybilności materiałów. Patrz tabela modeli i opcji. Pompa jest wyposażona w modułowy silnik pneumatyczny i sekcję płynu.
Sterowana pneumatycznie pompa membranowa generuje naprzemiennie ciśnienie płynu wlotowego i dodatnie ciśnienie płynu w komorze płynu, wykorzystując różnicę ciśnień w komorze powietrznej. Zawór kulowy może zapewnić przepływ płynu do przodu.
Cykl pracy pompy rozpocznie się wraz ze wzrostem ciśnienia powietrza i będzie kontynuował pompowanie i nadążanie za zapotrzebowaniem. Zbuduje i utrzyma ciśnienie na linii i zatrzyma cykl po osiągnięciu maksymalnego ciśnienia w linii (wyłączone urządzenie dozujące) i wznowi pompowanie w razie potrzeby.
| Pozycja | Opis | Jednostka | Rysunek referencyjny |
| 1 | Maksymalne ciśnienie wlotowe powietrza | Mpa | 0,83 |
| 2 | Maksymalne natężenie przepływu | L / min | 903 |
| 3 | Maksymalny udźwig | M | 70 |
| 4 | Maksymalne ciśnienie wylotowe | Mpa | 0,83 |
| 5 | Maksymalna wielkość cząstek | mm | 9 |
| 6 | Waga | kg | 103 |
| 7 | Poziom hałasu | db | < 70 |
A 50 XX - XXX - X ( wybór modelu)
Forma wylotu rury: A-BSP B-NPT (F) C-Flange
Materiał membrany: 9 - Santoprene H - Hytrel T - PTFE / Santoprene
Materiał kulki: 9-Santopren H - Hytre T - PTFE A - Acetal
Materiał gniazda kulowego: P / K - polipropylen / Kynoar SS - stal nierdzewna
Materiał pompy: SS –Stainless Steel AL –Aluminum Alloy CI- Carbon Steel P / K –Polproppropylene / Kynoar
Maksymalne stosowane limity temperatury (membrana / materiał kulki / uszczelki)
Acetal ······································ 40 ° - 150 ° F (4,4 - 65,5 ° C)
Santoprene ································· -40 ° - 225 ° F (-40 ° - 107,2 ° C) Teflon ········································ ········ · 40 ° - 220 ° F (4,4 ° - 104 ° C) Nitrile ·························· ······················· 10 ° - 180 ° F (-12 ° - 82 ° C) Viton ··········· ········································ -40 ° - 350 ° F (-40 ° C) ° -176,6 ° C) Hytrel · ········································· ······· -20 ° -150 ° F (-12 ° - 93 ° C) Kynar ·························· ························· 10 ° -200 ° F (-28,9 ° - 65,5 ° C) Polipropylen ········· ································ 32 ° - 175 ° F (0-79,4 ° C)
Podanie
1, Trujące, łatwopalne i lotne ciecze.
2, Silne kwasy, silne alkalia z korozją
3, Cysterna, Bilk, załadunek i rozładunek produktów naftowych
4, marynata, miąższ owoców, puree ziemniaczane, czekoladki itp
5, Farba, guma, pigment i kleje
6, Różne masy ceramiczne, spoinowanie, zaprawa i gnojowica
7, Różne lateksy, rozpuszczalniki organiczne, farsz
8, Zdejmowanie nośnika oleju (pompa brudnej wody i oleju resztkowego)
9, Wspólny chmiel, cienka pasta z drożdży, syrop i melasa
10, Specjalny płyn
Wymagania dotyczące powietrza i smarowania
NADMIERNE CIŚNIENIE POWIETRZA. Może spowodować uszkodzenie pompy, obrażenia ciała lub uszkodzenie mienia.
INSTRUKCJA OBSŁUGI
Konserwacja
DEMONTAŻ SEKCJI PŁYNU
UWAGA: Tylko modele membranowe używają głównej membrany (6A) i rezerwowej membrany (6). Patrz widok pomocniczy na ilustracji sekcji płynu.
PONOWNY MONTAŻ SEKCJI PŁYNU
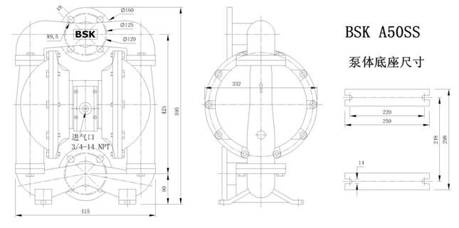
Wymiary instalacji :

Osoba kontaktowa: Mr. ALLSON
Tel: 008618122100289